1560GM

MANDRINI PORTA-PINZE ER CENTRO P AD ALTISSIMA QUALITA' PER ELEVATE VELOCITA'
high quality pinchers holder chucks with locking collar

Prod. SCU - Orig. Fahrion

ISO 15488 | DIN 6499 | DIN 6535

Per pinze ER DIN 6499/ISO 15488, CON Ø SERRAGGIO A MISURA INTERA. Per attacchi DIN 6535 anche con lubrificazione interna. Di altissima precisione, ad altissima tenuta, garantiscono la massima centratura di utensili come frese, punte, svasatori, alesatori, bareni ecc. con i più alti momenti torcenti. La perfetta esecuzione della ghiera a filetto trapezoidale e a doppia guida lunga garantisce la massima centratura, l'ottimale precisione di rotazione e ripetibilità, l'ideale tenuta e la facile sostituzione delle pinze.
Utilizzati in combinazione con le pinze orig. Fahrion Art. 1561 GL-N assicurano una precisione del sistema minore o uguale a 8 µm.

MANDRINI MAS/BT PORTA-PINZE TIPO ER

Attacco BT 40 secondo norme MAS/BT, terminale con filetto interno M16.
Grado di bilanciamento G 6,3 a giri 15000 1/min.

I mandrini vengono forniti senza ghiere e senza anelli di tenuta.
Per ghiere e anelli ved. Art. 1560 GPA-B-C-E.
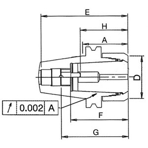
La quota E si riferisce a utensili con attacco inferiore o uguale a 16 mm.
La quota F si riferisce a utensili con attacco maggiore a 16 mm.{PB}

Di che cosa parlano le norme citate in descrizione?

  • ISO 15488: Colletti con angolo di regolazione di 8 gradi per codoli di utensili
  • DIN 6499: Pinze con angolo di serraggio di 8° per codoli utensili; pinze, dadi e dimensioni di montaggio
  • DIN 6535: Gambi cilindrici in materiali duri per utensili di lavorazione - Dimensioni
1560GM - MANDRINI PORTA-PINZE ER CENTRO P AD ALTISSIMA QUALITA' PER ELEVATE VELOCITA' - Prod. SCU - Orig. Fahrion1560GM - MANDRINI PORTA-PINZE ER CENTRO P AD ALTISSIMA QUALITA' PER ELEVATE VELOCITA' - Prod. SCU - Orig. Fahrion
 Cod. Art.Cad.Qta minGiacenzaTipo
Capacità serraggio Ø
mm
Quota D
mm
Quota A
mm
Quota E
mm
Quota F
mm
Per pinze Art.
Cod. Prod.Peso ArtNote
(*)1560GM 25€ 182,0002252-16Più dettagli405593-1561 GL 0,94
(*)1560GM 32€ 182,0001322-20Più dettagli505595551561 GN 0,9