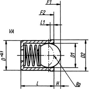
09 - MARTELLERIA - SPINE, MOLLE - ARTICOLI PER PERCUSSIONE - ELEMENTI DI SERRAGGIO » Spine elastiche - Molle a tazza - Pressori a molla filettati - Tasselli di fissaggio - Magneti - Elementi di fissggio » PRESSORI A MOLLA LISCI » 2812Z 2812Z PRESSORI A MOLLA LISCI « Prodotto PRECEDENTE | Prodotto SUCCESSIVO » smooth spring plungers https://sicu.info/it-IT/2812Z | Vai ai prodotti di pag. 693 » Prod. SCU Tipo a corpo liscio, con sfera. Corpo in termoplastica nera. Sfera e molla in acciaio inossidabile, temprati. Tolleranza sul Ø D:+0,1. Che cosa vuoi fare? Invia la scheda via e-mail » Stampa la scheda » Stampa la scheda SENZA PREZZI » Apri la pagina del catalogo » Invia una richiesta » Salva foto in alta risoluzione » FILE ALLEGATI relativi al prodotto Ricambi e accessori » NEWS relative al prodotto» Cod. Art.Cad.Qta minGiacenzaCorpo Ø DmmForza min F1N Forza max F2NØ sfera D1mmØ tot. est. D2mmLungh. pressore LmmSporgenza sfera HmmPeso c.cagrammiCod. Prod.Peso ArtNote (*)2812Z 4€ 1,160381943Più dettagli734,650,70,17 0,001 (*)2812Z 5€ 1,180152054Più dettagli745,6610,35 0,001 (*)2812Z 6€ 1,28028466Più dettagli1256,571,50,66 0,001 (*)2812Z 8€ 1,46019786Più dettagli126,58,591,81,46 0,001