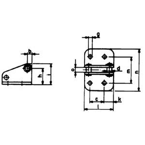
09 - MARTELLERIA - SPINE, MOLLE - ARTICOLI PER PERCUSSIONE - ELEMENTI DI SERRAGGIO » Spine elastiche - Molle a tazza - Pressori a molla filettati - Tasselli di fissaggio - Magneti - Elementi di fissggio » ELEMENTI DI FISSAGGIO RAPIDO IN ACCIAIO INOSSIDAB » 2834GM 2834GM ELEMENTI DI FISSAGGIO RAPIDO IN ACCIAIO INOSSIDABILE « Prodotto PRECEDENTE | Prodotto SUCCESSIVO » INOX clamping devices https://sicu.info/it-IT/2834GM | Vai ai prodotti di pag. 707 » Prod. SCU - Orig. AMF Dispositivi di serraggio sicuri e costanti di elevata qualità. Funzionamento a doppia leva, che non permette lo sganciamento in fase di tenuta. In acciaio inossidabile con impugnatura resistente agli olii e agli acidi, con bussole di supporto temprate e rettificate. Completi di vite e puntale in resistente gomma dura. Indicati per industrie chimiche, alimentari, dove occorrono speciali condizioni igieniche, dove l’utilizzo è critico a causa delle sfavorevoli condizioni climatiche, dove si utilizzano liquidi di raffreddamento particolarmente aggressivi. Forza min. e max (F1-F2) espressa in Newton (N). Supporti di aggancio, per Art. 2834 GL. Che cosa vuoi fare? Invia la scheda via e-mail » Stampa la scheda » Stampa la scheda SENZA PREZZI » Apri la pagina del catalogo » Invia una richiesta » Salva foto in alta risoluzione » FILE ALLEGATI relativi al prodotto Tabella_dimensioni_2834GM.pdf » Ricambi e accessori » NEWS relative al prodotto» Cod. Art.Cad.Qta minGiacenzaGrandezzaIngombro vertic. chiuso (i)mm Ingombro orizzontale chiuso (l)mmPesogrammiCod. Prod.Peso ArtNote (*)2834GM 1€ 66,9005129Più dettagli3140 0,04 (*)2834GM 3€ 77,4003329Più dettagli4070 0,07 (*)2834GM 5€ 106,0003561Più dettagli55320 0,32