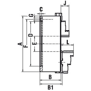
06 - UTENSILI E ACCESSORI - PER MACCHINE UTENSILI » Mandrini autocentranti a 3 e 4 griffe - Platorelli - Contropunte fisse e rotanti - Torrette portautensili » MANDRINI AUTOCENTRANTI » 1563P 1563P MANDRINI AUTOCENTRANTI « Prodotto PRECEDENTE | Prodotto SUCCESSIVO » self-centring chucks https://sicu.info/it-IT/1563P | Vai ai prodotti di pag. 452 » Prod. SCU DIN 6350 Guida semplice, corpo in ghisa sferoidale speciale. Tipo di alta precisione a 3 griffe.Con 2 serie di griffe: 1 per interni, 1 per esterni e chiave.Parti di scorrimento temprate e rettificate. Ottimo assorbimento delle vibrazioni, corona forgiata, bilanciata e temprata. Costruito in base alle norme DIN 6350. Di che cosa parlano le norme citate in descrizione? DIN 6350: Mandrini per tornio, azionati a mano - Serraggio centrico Che cosa vuoi fare? Invia la scheda via e-mail » Stampa la scheda » Stampa la scheda SENZA PREZZI » Apri la pagina del catalogo » Invia una richiesta » Salva foto in alta risoluzione » FILE ALLEGATI relativi al prodotto Ricambi e accessori » NEWS relative al prodotto» Cod. Art.Cad.Qta minGiacenzaØmmØ foromm Giri/minuto maxNrForza di serraggiokNCod. Prod.Peso ArtNote (*)1563P 80€ 755,00088016Più dettagli500010 1,5 (*)1563P 100€ 859,000210020Più dettagli450017 2,8 (*)1563P 125€ 919,000312532Più dettagli400024 5 (*)1563P 160€ 1.080,000616042Più dettagli360031 10 (*)1563P 200€ 1.430,000120055Più dettagli300037 17,5 (*)1563P 250€ 1.950,000225076Più dettagli250046 29 (*)1563P 315€ 2.900,0002315103Più dettagli200055 50