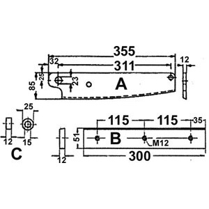
» » » 713 3C PLATE AND ROUND STEEL SHEARS « PREVIOUS page | NEXT item » plate and round steel shears https://sicu.info/en-US/713-3C | Go to products page no. 153 » Orig. Peddinghaus SPARE BLADES FOR SHEAR ART. 712G 3 Blade for round steel. What do you want to do? Send product card » Print product card » Print product card WITHOUT PRICES » View PDF catalogue » Send a request » Save high-res image » ATTACHED FILES related to the product Spare parts and accessories » NEWS related to the product» Cod. Art.Cad.Min. qtyCod. Prod.WeightNote (*)713 3C€ 28,900 0.3