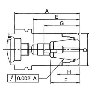
» » » 1560GL ER CENTER P HIGH QUALITY COLLET CHUCKS FOR HIGH SPEEDS « PREVIOUS page | NEXT item » high quality pinchers holder chucks with locking collar https://sicu.info/en-US/1560GL | Go to products page no. 445 » Prod. SCU - Orig. Fahrion ISO 15488 | DIN 6499 | DIN 6535 | DIN 69893 Suitable for DIN 6499/ISO 15488 ER collets, with clamping diameter based on the inner size. For DIN 6535 shanks and full diameters also with internal lubrication. High-precision, very high tightness, max centring of tools such as milling cutters, drills, countersinks, reamers, boring bars, etc. with the highest torque. The perfect manufacture of the trapezoidal threaded and long double guide locking collar ensures max centring, higher rotation precision and repetibility, long-term performance and easy replacement of tapping collets. If used together with orig. Fahrion collets Art. 1561 GL-N, this product ensures a precision inferior or equal to 8 µm. HSK DIN 69893/A-E ER PINCERS HOLDER CHUCKS DIN 69893/A-E HSK-A63 shank. Balancing level G 6.3 20000 rpm. Chucks are supplied without locking collars and without seal rings.For locking collars and rings see Art. 1560 GPA-B-C-E.The E value refers to tools with shank < or = 16mm.The F value refers to tools with shank > 16mm. What do the rules mentioned in the description talk about? ISO 15488: Collars with 8° adjustment angle for tool shanks DIN 6499: Collets with 8° clamping angle for tool shanks; collets, nuts and mounting dimensions DIN 6535: Cylindrical shanks in hard materials for cutting tools - Dimensions DIN 69893: Hollow tapered shanks with flat contact face What do you want to do? Send product card » Print product card » Print product card WITHOUT PRICES » View PDF catalogue » Send a request » Save high-res image » ATTACHED FILES related to the product Spare parts and accessories » NEWS related to the product» Cod. Art.Cad.Min. qtyTypeTightening capacity ØmmHeight Dmm Height ammHeight EmmHeight FmmFor pliers Art.Cod. Prod.WeightNote (*)1560GL 32€ 213,000322-2050Più dettagli10071451561 GN 1.28