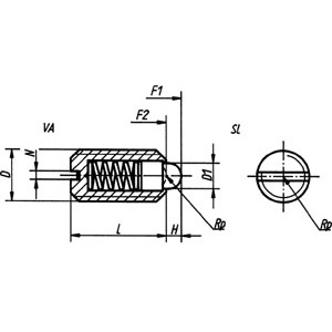
» » » 2812A SPRING PLUNGERS WITH THREADS « PREVIOUS page | NEXT item » spring plungers with thread https://sicu.info/en-US/2812A | Go to products page no. 690 » Prod. SCU Ball nose spring plunger with slotted drive. In hardened steel, 5.8 resistance class, burnished. What do you want to do? Send product card » Print product card » Print product card WITHOUT PRICES » View PDF catalogue » Send a request » Save high-res image » ATTACHED FILES related to the product Spare parts and accessories » NEWS related to the product» Cod. Art.Cad.Min. qtyThread D ØM.Force min F1NMax. force F2N D1 tip ØmmPresser L lengthmmTip extension HmmNotch N widthmmWeightgramsCod. Prod.WeightNote (*)2812A 4€ 2,1004620Più dettagli1,891,50,60,39 0.001 (*)2812A 5€ 2,0805620Più dettagli2,41220,81 0.001 (*)2812A 6€ 2,0806720Più dettagli2,714211,7 0.002 (*)2812A 8€ 2,50081530Più dettagli41621,24 0.004 (*)2812A 10€ 2,680102035Più dettagli4,5192,51,67 0.007 (*)2812A 12€ 4,020123055Più dettagli6223,5213 0.013 (*)2812A 16€ 5,6801645100Più dettagli8,5244,52,524 0.024 (*)2812A 20€ 9,3002060120Più dettagli10306,52,546,3 0.046