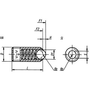
» » » 2812T SPRING PLUNGERS WITH THREADS « PREVIOUS page | NEXT item » spring plungers with thread https://sicu.info/en-US/2812T | Go to products page no. 692 » Prod. SCU Ball spring plunger with hex socket and heavy end pressure. In stainless steel. Hardened ball. What do you want to do? Send product card » Print product card » Print product card WITHOUT PRICES » View PDF catalogue » Send a request » Save high-res image » ATTACHED FILES related to the product Spare parts and accessories » NEWS related to the product» Cod. Art.Cad.Min. qtyThread D ØM.Force min F1NMax. force F2N Ball D1 ØmmPresser L lengthmmBall H extensionmmHexagonal size SmmWeightgramsCod. Prod.WeightNote (*)2812T 5€ 5,68051522Più dettagli3140,92,51,2 0.001 (*)2812T 6€ 5,96061928Più dettagli3,515132 0.002 (*)2812T 8€ 9,46083662Più dettagli4,5181,544 0.004 (*)2812T 10€ 12,4001057104Più dettagli623258 0.008 (*)2812T 12€ 16,3001261110Più dettagli8262,5612 0.012 (*)2812T 16€ 21,2001668142Più dettagli10333,5831 0.031 (*)2812T 20€ 32,40020115240Più dettagli12434,51064 0.064 (*)2812T 24€ 53,30024130270Più dettagli15485,512100 0.1